Improving Efficiency in DC-DC Converters Through Careful Component Selection
Jan 08,2023 | TCcharger
DC-DC converters offer small, green power conversion. Designing green DC-DC converters may be intricate, even when the usage of off-the-shelf controllers. Efficiency is critical for extending battery lifestyles in battery-powered packages and because it reduces the quantity of heat that must be dissipated, lowering package deal size and prolonged the lifestyles of the electric additives within the system. This paper discusses some loss mechanisms in DC-DC converters, and how careful issue alternatives can optimize performance.
MOSFET losses
MOSFETs have conduction losses (P=I2R) related to the conduction once they’re absolutely on; use a MOSFET with low RDS(ON) to reduce these losses. In addition they have switching losses, which are tougher to quantify. Use a high-modern gate driving force to ensure that MOSFETs function fast and efficiently—people with lower gate capacitance transfer quicker and greater successfully.
Diode losses
Diodes have a ahead voltage drop of about 0.7 V (P=VI). Use a Schottky diode with have the voltage drop to lessen losses. The usage of a Schottky additionally facilitates with switching losses, which can be harder to quantify.
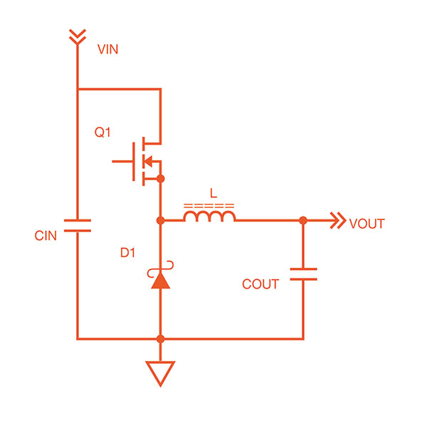
Diodes are regularly used to offer present day paths for inductive currents in DC-DC converters. Those are called freewheeling diodes. Figure 1 is a simplified schematic of a buck converter. On this schematic, D1 is the freewheeling diode, which presents a path for the modern-day via the filter inductor when Q1 isn't turned on.

Figure 1: Simplified buck converter schematic
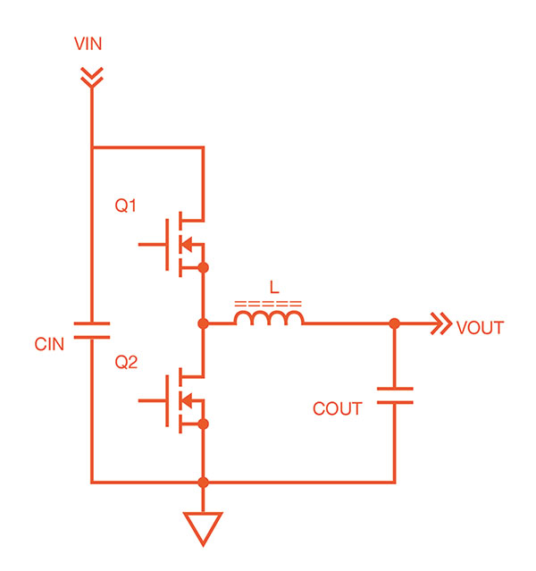
Freewheeling diodes may be a substantial supply of inefficiency, especially while the diode drop is a extensive fraction of the output voltage. That is specifically crucial for low-voltage, excessive-cutting-edge packages. The freewheeling diode can be replaced with a MOSFET that switches out of phase with Q1. This MOSFET is known as a synchronous rectifier. It's far important to ensure that there's useless time among the turn-off instances and turn-on times of the MOSFETs. If each MOSFETs have been to show on simultaneously, they must efficaciously create a short among VIN and GND, causing a tremendous quantity of current (referred to as shoot-via contemporary) and in all likelihood causing damage. Synchronous buck controller ICs have gate drivers for both MOSFETs, and usually encompass dead time, additionally called shoot-thru safety.

Inductor losses
Inductors have copper and middle losses. Middle losses are associated with the strength required to switch magnetic domain names back and forth inside the magnetic core. Inductors with low-loss cores can enhance efficiency. Copper losses are related to I2R and high-frequency losses inside the wiring of the inductor. Inductors with larger windings may be selected to lessen DC resistance—multiple strands of wire may be wound in parallel, or in parallel random positions, to reduce AC resistance.
Capacitor losses
Capacitors have equal collection resistance. I2R may not be a extreme supply of inefficiency, however choosing capacitors with ESR will reduce output ripple voltage and make the capacitors final longer. Aluminum polymer capacitors have low ESR and longer lifetimes than everyday aluminum electrolytic capacitors, that are often used as bulk filter capacitors in DC-DC converters.
PCB layout
The PCB is a critical aspect of a DC-DC converter. Copper strains have resistance, and will lose power in the amount of I2R. Use extensive traces for high-modern-day loops to reduce resistance. Additionally, make your high-present day loops quick. It's also really helpful to make excessive-frequency loops small to optimize performance.
Frequency, efficiency, and size change-offs
Many loss mechanisms increase with frequency. Switching at a higher frequency lets in for using smaller inductors and capacitors, which reduces size, fee, and weight, however at the value of efficiency. Switching at lower frequencies requires large inductors and capacitors, but will improve efficiency.